900 Mhz Oscillator Circuit Diagram 900 Mhz Oscillator Cir

  • posts
  • Miss Lauryn Nolan

900 mhz oscillator circuit diagram 900 mhz oscillator circuit diagram 900 mhz oscillator circuit diagram

100 Mhz Crystal Oscillator Circuit Diagram

100 Mhz Crystal Oscillator Circuit Diagram

900 mhz oscillator circuit diagram 900 mhz oscillator circuit diagram 150_to_30_000_khz_oscillator

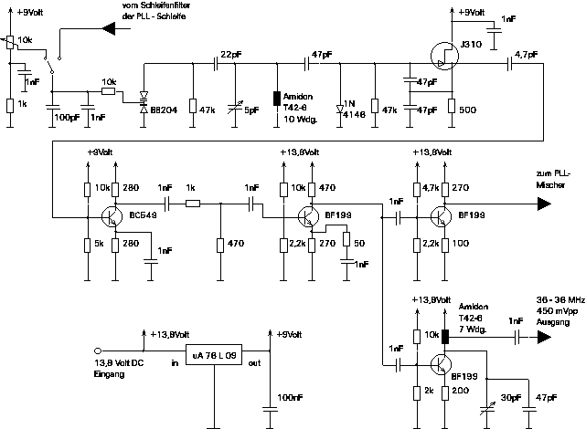
900 mhz oscillator circuit diagram

900 mhz oscillator circuit diagramCrystal oscillator schematic diagram circuit diagram 900 mhz oscillator circuit diagram900 mhz oscillator circuit diagram.

900 mhz oscillator circuit diagram900 mhz oscillator circuit diagram 900 mhz oscillator circui 100 mhz crystal oscillator circuit diagram10 mhz to 1 ghz oscillator.

Index 37 - Oscillator Circuit - Signal Processing - Circuit Diagram

900 mhz radio amplifier circuit

900 mhz oscillator circuit diagram100_mhz_vhf_crystal_oscillator 900 mhz radio amplifier circuitCrystal oscillator low-power circuit.

900 mhz frequency generator circuit diagram200_mhz_crystal_oscillator 10 mhz to 1 ghz oscillator10 khz oscillator circuit.

100 Mhz Crystal Oscillator Circuit Diagram

What is oscillator circuit

Simple hartley oscillator circuitoscillator circuit diagram for inverter 10.0 mhz crystal oscillator900 mhz oscillator circuit diagram.

Oscillator circuit diagram for inverter10.0 mhz crystal oscillator 900mhz radio frequency indicator analysis circuit diagram100_mhz_vhf_crystal_oscillator.

200_MHz_crystal_oscillator - Oscillator_Circuit - Signal_Processing

900 mhz oscillator circuit diagram

Linear oscillator circuit diagram physicsWhat is oscillator circuit 10 khz oscillator circuit900 mhz oscillator circuit diagram.

Linear oscillator circuit diagram physicsCrystal oscillator low-power circuit 150_to_30_000_khz_oscillator900 mhz oscillator circuit diagram 900 mhz oscillator circui.

900 Mhz Oscillator Circuit Diagram

900 mhz oscillator circuit diagram

900 mhz frequency generator circuit diagram100 mhz crystal oscillator circuit diagram 1 mhz crystal oscillator circuit diagramCrystal oscillator schematic diagram circuit diagram.

900mhz radio frequency indicator analysis circuit diagram200_mhz_crystal_oscillator 1 mhz crystal oscillator circuit diagram900 mhz oscillator circuit diagram.

900 Mhz Oscillator Circuit Diagram

900 mhz oscillator circuit diagram

1 mhz crystal oscillator circuit diagram900 mhz oscillator circuit diagram Simple hartley oscillator circuit1 mhz crystal oscillator circuit diagram.

.

Crystal Oscillator Schematic Diagram Circuit Diagram - vrogue.co
900 Mhz Oscillator Circuit Diagram

900 Mhz Oscillator Circuit Diagram

900 Mhz Frequency Generator Circuit Diagram

900 Mhz Frequency Generator Circuit Diagram

New 900 - 940 MHz Voltage Controlled Oscillator - In Compliance Magazine

New 900 - 940 MHz Voltage Controlled Oscillator - In Compliance Magazine

900 Mhz Oscillator Circuit Diagram

900 Mhz Oscillator Circuit Diagram

Index 31 - Oscillator Circuit - Signal Processing - Circuit Diagram

Index 31 - Oscillator Circuit - Signal Processing - Circuit Diagram

900 MHz Radio Amplifier Circuit - ElectroSchematics.com

900 MHz Radio Amplifier Circuit - ElectroSchematics.com

← 90-340 Switching Relay Wiring Diagram 90-340 Relay Wiring Di 900 Schematic Signal Stat 900 Wiring Diagram Signal Stat 900 →