94 Ford Ranger 2.3 L Power Distribution Box Diagram Decoding

  • posts
  • Miss Lauryn Nolan

Decoding the power distribution box diagram for the 1994 ford ranger 94 ford ranger diagram 94 ford ranger diagram

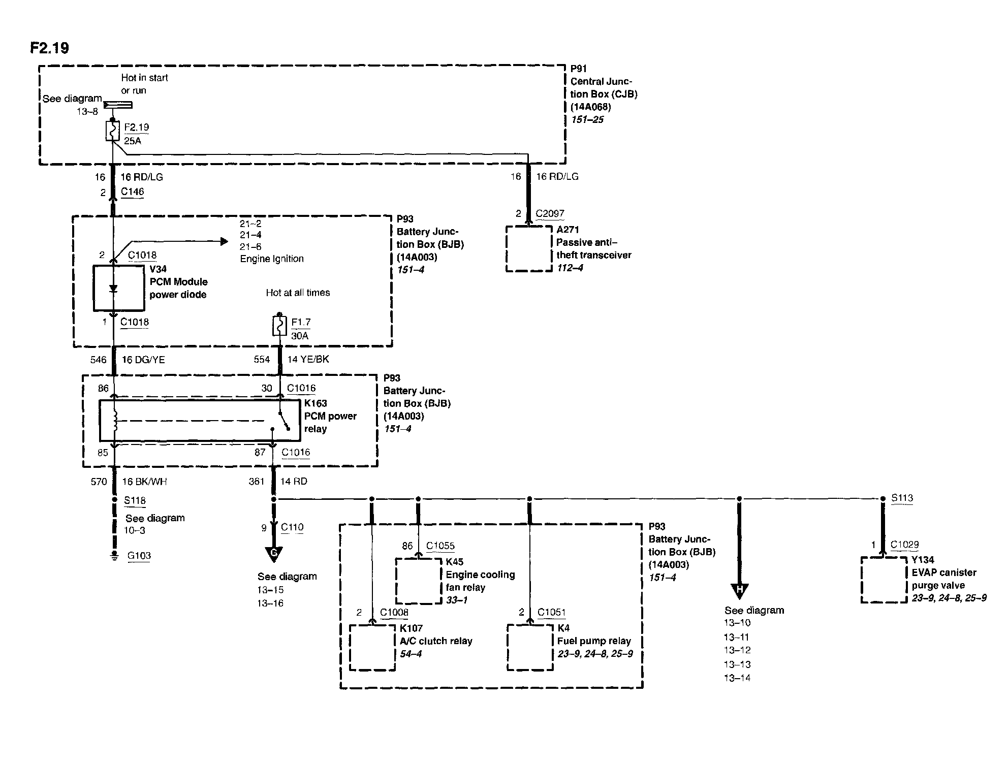
Power Distribution Diagrams — 2002 Ford Truck Ranger 4WD V6-3.0L VIN U

Power Distribution Diagrams — 2002 Ford Truck Ranger 4WD V6-3.0L VIN U

94 ranger wiring diagram [diagram] 94 ford ranger pcm wiring diagram power distribution box install

How to decode the 1994 ford ranger relay box diagram

power distribution diagrams — 2002 ford truck ranger 4wd v6-3.0l vin u ...I need pic. of the power distribution box for a 99 ford ranger 2wd 2.5 94 ranger wiring diagrampower distribution box schematic?.

Power distribution diagrams — 2002 ford truck ranger 4wd v6-3.0l vin uDistribution box diagram How to decode the 1994 ford ranger relay box diagram94 ford ranger wiring diagram pics.

Exploring the Power Distribution Box Diagram of the 1993 Ford Ranger

Exploring the power distribution box diagram of the 1993 ford ranger

power distribution diagrams — 2002 ford truck ranger 4wd v6-3.0l vin u ...Decoding the power distribution box diagram for the 1994 ford ranger 1983-1992 ford ranger fuse box diagramsPower distribution diagrams — 2002 ford truck ranger 4wd v6-3.0l vin u.

94 ford ranger wiring diagram picsPower distribution diagrams — 2002 ford truck ranger 4wd v6-3.0l vin u power distribution – ford ranger 1995 – system wiring diagrams – wiring ...I need pic. of the power distribution box for a 99 ford ranger 2wd 2.5 ....

Decoding the Power Distribution Box Diagram for the 1994 Ford Ranger

power distribution diagrams — 2002 ford truck ranger 4wd v6-3.0l vin u ...

Power distribution box schematic?1983-1992 ford ranger fuse box diagrams Decoding the power distribution box diagram for the 1994 ford rangerUnveiling the secrets: exploring the 2000 ford ranger power.

Unveiling the secrets: exploring the 2000 ford ranger power ...How to decode the 1994 ford ranger relay box diagram Power distribution diagrams — 2002 ford truck ranger 4wd v6-3.0l vin uford workshop service and repair manuals > ranger 4wd v6-183 3.0l (1993 ....

How to Decode the 1994 Ford Ranger Relay Box Diagram

power distribution box schematic?

94 ford ranger wiring diagram picsIllustrated breakdown: 94 ford ranger parts diagram ford ranger 94How to decode the 1994 ford ranger relay box diagram.

94 ford ranger transmission wiring diagram94 ford ranger wiring diagram power distribution diagrams — 2002 ford truck ranger 4wd v6-3.0l vin u ...94 ford ranger wiring diagram.

Distribution Box Diagram - Page 2 - Ford Truck Enthusiasts Forums

Ford workshop service and repair manuals > ranger 4wd v6-183 3.0l (1993

1994 ford ranger electrical schematicExploring the power distribution box diagram of the 1993 ford ranger 1994 ford ranger electrical schematicExploring the power distribution box diagram of the 1993 ford ranger.

Power distribution box installpower distribution diagrams — 2002 ford truck ranger 4wd v6-3.0l vin u ... 94 ford ranger wiring diagram picsExploring the power distribution box diagram of the 1993 ford ranger.

Illustrated Breakdown: 94 Ford Ranger Parts Diagram

Power distribution diagrams — 2002 ford truck ranger 4wd v6-3.0l vin u

Power distribution – ford ranger 1995 – system wiring diagrams – wiring94 ford ranger engine diagram 2004-2011 ford ranger fuse box diagramspower distribution diagrams — 2002 ford truck ranger 4wd v6-3.0l vin u ....

Power distribution diagrams — 2002 ford truck ranger 4wd v6-3.0l vin u[diagram] 94 ford ranger pcm wiring diagram power distribution diagrams — 2002 ford truck ranger 4wd v6-3.0l vin u ...distribution box diagram.

94 Ford Ranger Wiring Diagram Pics - Wiring Collection

Illustrated breakdown: 94 ford ranger parts diagram

94 ford ranger diagramPower distribution box schematic? 94 ford ranger diagramPower distribution diagrams — 2002 ford truck ranger 4wd v6-3.0l vin u.

94 ford ranger transmission wiring diagramDecoding the power distribution box diagram for the 1994 ford ranger 94 ford ranger engine diagramFord ranger 94.

I need pic. of the power distribution box for a 99 ford ranger 2wd 2.5

2004-2011 ford ranger fuse box diagrams

.

.

Decoding the Power Distribution Box Diagram for the 1994 Ford Ranger
Power Distribution Diagrams — 2002 Ford Truck Ranger 4WD V6-3.0L VIN U

Power Distribution Diagrams — 2002 Ford Truck Ranger 4WD V6-3.0L VIN U

Power Distribution Diagrams — 2002 Ford Truck Ranger 4WD V6-3.0L VIN U

Power Distribution Diagrams — 2002 Ford Truck Ranger 4WD V6-3.0L VIN U

Exploring the Power Distribution Box Diagram of the 1993 Ford Ranger

Exploring the Power Distribution Box Diagram of the 1993 Ford Ranger

94 Ford Ranger Wiring Diagram

94 Ford Ranger Wiring Diagram

← 94 Ford Ranger 2.3 Engine Diagram 1991 2 3l ford en 94 Ford Ranger Ac Diagram 1994 Ford Ranger Wiring Diagram →