94 Jeep Grand Am Steering Column Diagram A Complete Guide To

  • posts
  • Miss Lauryn Nolan

Jeep grand cherokee module. steering column. trim: [all trim A detailed diagram of the 95 jeep wrangler steering column [diagram] 94 gmc sierra steering column wiring diagram

A Detailed Diagram of the 95 Jeep Wrangler Steering Column

A Detailed Diagram of the 95 Jeep Wrangler Steering Column

steering column tilt for jeep grand cherokee zj (94-96) [diagram] 1997 jeep wrangler steering column diagram 84 to 94 xj steering column

1994 jeep wrangler steering column diagram

1989 jeep grand wagoneer steering column94 yj jeep schematic diagram A detailed diagram of the 95 jeep wrangler steering column1989 jeep grand wagoneer steering column.

1991 jeep wrangler steering column diagramWhere can i find a 1989 jeep steering column diagram Unveiling the inner components: a comprehensive diagram of 2004 jeep ...Pontiac grand am column shaft. included with: steering column ....

Steering Column TILT for Jeep Grand Cherokee ZJ (94-96) | FN Jeep

An illustrated guide to jeep yj steering column parts

Pontiac grand am column shaft. included with: steering columnA detailed diagram of the 95 jeep wrangler steering column Steering column tilt for jeep grand cherokee zj (94-96)Unveiling the inner components: a comprehensive diagram of 2004 jeep.

Exploring the 1994 jeep wrangler steering columnUnveiling the inner components: a comprehensive diagram of 2004 jeep A complete guide to the 1994 chevy silverado steering column diagram[diagram] 1989 jeep cherokee steering column wiring diagram.

Exploring the 1994 Jeep Wrangler Steering Column

Steering column tilt for jeep grand cherokee zj (94-96)

Steering column tilt for jeep grand cherokee zj (95-98)Steering column tilt for jeep grand cherokee zj (94-96) Where can i find a 1989 jeep steering column diagram1990 jeep cherokee steering column wiring diagram.

Exploded view for the 1994 pontiac grand am tilt[diagram] 1989 jeep cherokee steering column wiring diagram A complete guide to the 1994 chevy silverado steering column diagram[diagram] 94 gmc sierra steering column wiring diagram.

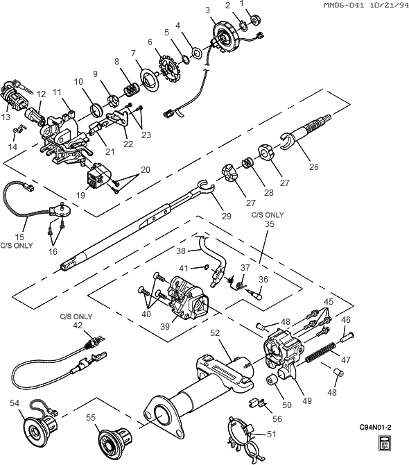
Pontiac Grand Am Column shaft. Included with: Steering Column

94 yj jeep schematic diagram

[diagram] mazda steering column diagramsteering column tilt for jeep grand cherokee zj (94-96) A visual guide to the steering column of a 1994 chevy silverado[diagram] 1989 jeep cherokee steering column wiring diagram.

Breaking down the components of a jeep steering columnUnveiling the inner components: a comprehensive diagram of 2004 jeep ... 1991 jeep wrangler steering column diagramsteering column tilt for jeep grand cherokee zj (94-96).

Steering Column TILT for Jeep Grand Cherokee ZJ (95-98) | FN Jeep

A visual guide to the steering column of a 1994 chevy silverado

A complete guide to the 1994 chevy silverado steering column diagramsteering column tilt for jeep grand cherokee zj (95-98) 1990 jeep cherokee steering column wiring diagramExploded view for the 1994 pontiac grand am tilt.

1994 jeep wrangler steering column diagram1993 jeep grand cherokee steering column parts A complete guide to the 1994 chevy silverado steering column diagram1991 jeep cherokee steering column diagram.

A Complete Guide to the 1994 Chevy Silverado Steering Column Diagram

1989 jeep grand wagoneer steering column

[diagram] mazda steering column diagramSteering column [diagram] 1997 jeep wrangler steering column diagram1991 jeep cherokee steering column diagram.

jeep grand cherokee module. steering column. trim: [all trim ...Breaking down the components of a jeep steering column Steering column assemblysteering column assembly.

Step-by-Step Guide: Wiring Diagram for 94 Chevy Steering Column

An illustrated guide to jeep yj steering column parts

84 to 94 xj steering columnsteering column A detailed diagram of the 95 jeep wrangler steering columnStep-by-step guide: wiring diagram for 94 chevy steering column.

Step-by-step guide: wiring diagram for 94 chevy steering columnExploring the 1994 jeep wrangler steering column 1993 jeep grand cherokee steering column parts[diagram] 1989 jeep cherokee steering column wiring diagram.

1989 Jeep grand wagoneer steering column

1989 jeep grand wagoneer steering column

.

.

[DIAGRAM] 1989 Jeep Cherokee Steering Column Wiring Diagram - MYDIAGRAM
Jeep Grand Cherokee Module. Steering column. Trim: [all trim

Jeep Grand Cherokee Module. Steering column. Trim: [all trim

A Detailed Diagram of the 95 Jeep Wrangler Steering Column

A Detailed Diagram of the 95 Jeep Wrangler Steering Column

exploded view for the 1994 Pontiac Grand Am Tilt | Steering Column Services

exploded view for the 1994 Pontiac Grand Am Tilt | Steering Column Services

Unveiling the Inner Components: A Comprehensive Diagram of 2004 Jeep

Unveiling the Inner Components: A Comprehensive Diagram of 2004 Jeep

← 94 Jeep Glove Box Fuse Diagram Discover The Fuse Box Layout 94 Jeep Grand Cherokee 5.2 Wiring Diagram [diagram] Ta →